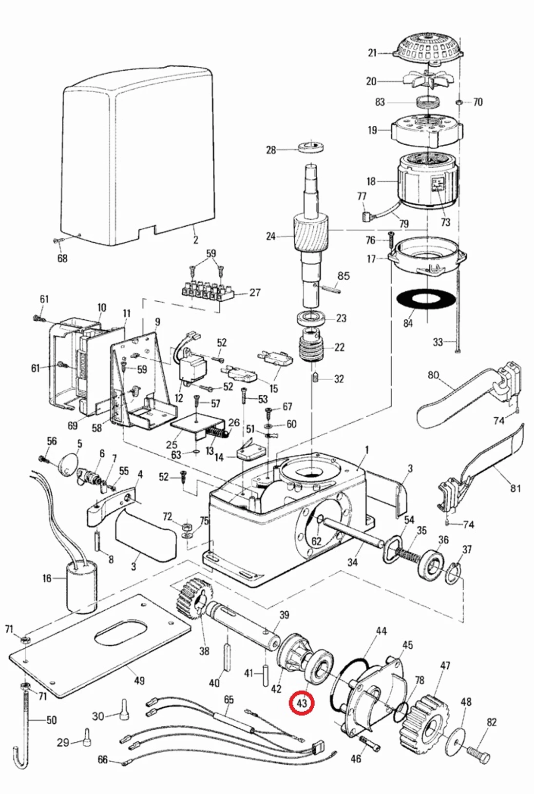
PMCU10.4630 ložisko 6206ZZ

Tovar na objednávku
PMCU10.4630 ložisko 6206ZZ
PMCU10.4630 ložisko 6206ZZ - slide 0
PMCU10.4630 ložisko 6206ZZ - slide 1
Kód produktu: N ND-TH1551-43
Skladom 4 ks - pripravené na odoslanie
U vás môže byť už 09.01.2026
NICEi
KS
Cena za jednotku bez DPH:
6,44 €
Cena s DPH
7,92 €
Volajte v pracovné dni od 8 do 16.30 hod alebo píšte na objednavky@kovian.sk
Odborné poradenstvo
Odborné poradenstvo
+421 347 746 006

Popis produktu

PMCU10.4630 ložisko 6206ZZ

Presný rozpis náhradných dielov nájdete na stránke www.kovianportal.sk.

Technické parametre

Hmotnosť 0.1 kg
Výrobca Nice
Záruka 24 mesiacov
Odosielame do 48 hodín
8 000 m2
50 odborníkov
Výhodné ponuky