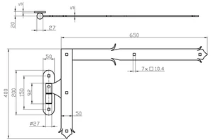
Horné kovanie 400 x 650 mm s čapom, čierny lak, obojstranný

Horné kovanie 400 x 650 mm s čapom, čierny lak, obojstranný
Horné kovanie 400 x 650 mm s čapom, čierny lak, obojstranný - slide 0
Horné kovanie 400 x 650 mm s čapom, čierny lak, obojstranný - slide 1
Kód produktu: PD225
Skladom 27 ks - pripravené na odoslanie
U vás môže byť už 18.05.2026
KOVIAN, s.r.o.i
KS
Cena za jednotku bez DPH:
20,04 €
Cena s DPH
24,65 €
Volajte v pracovné dni od 8 do 16.30 hod alebo píšte na objednavky@kovian.sk
Odborné poradenstvo
Odborné poradenstvo
+421 347 746 006

Popis produktu

Kovanie ozdobné - HORNÉ, 400x650mm s čapom, profil 50x5mm, povrch čierny lak, horný pánt, obojstranný

Technické parametre

Hmotnosť 2.895 kg
Dĺžka jedného krídla [m] 2,5
Max. zaťaženie [kg] 120
Hrúbka [mm] 5
Materiál oceľ S253J
Odosielame do 48 hodín
8 000 m2
50 odborníkov
Výhodné ponuky